Your cart is currently empty!
Online reservations are limited to Maine delivery locations. Out of state? Call 207-269-2800
15405.1 Garage 10×20
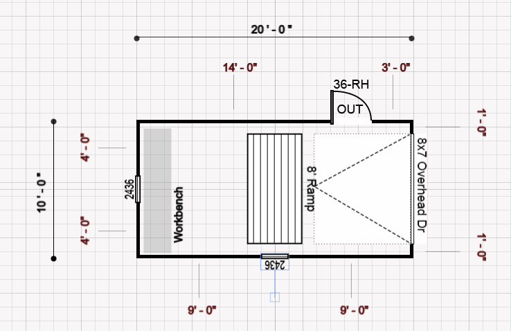
This 10×20 garage offers a practical, well-built solution for protecting vehicles, equipment, and tools. It features a 9×7 overhead door with a pressure treated ramp, a side entry door, windows for natural light, and a workbench—making it ideal for storage or workshop use.
1 in stock
| Location | Topsham |
|---|
Prices shown on most buildings now include delivery! Listed price does not include tax or site prep. An initial payment will reserve the building in your name. Within 1 business day a customer service representative will call and talk about final details, additional charges(inc. tax and site prep) and any applicable discounts. If an order is cancelled within 3 days of purchase, a cancellation fee will apply.
Description
Price Includes Maine Delivery
10×20 A-Frame Plus Garage
Barn Color: Riehl Blue
Trim Color: White
Roof Color: Black Metal
- 8×7 Overhead Garage Door
- 8 Foot Ramp
- 2 24×36 Windows
- Side Entry Door
- 2′ wide workbench
Rent To Own For:
$433.89/24 mo
$361.57/36 mo
$295.83/48 mo
Rent To Own Statement: Consumer does not acquire ownership right until the total of payment to acquire ownership is paid.
Additional information
| Location | Topsham |
|---|






